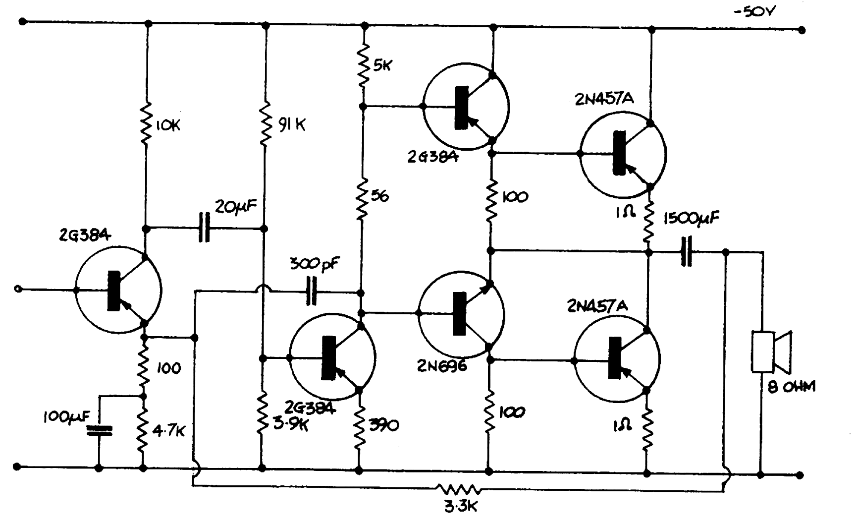
Este amplificador con transistores de salida complementarios entrega 20 W a una carga de 80 ohmios. Lo encontramos en una publicación de los 80 que son los tipos de transistores de la época. Los transistores pueden ser reemplazados por equivalentes modernos. Tenga en cuenta la alta tensión utilizada en la fuente de alimentación.




