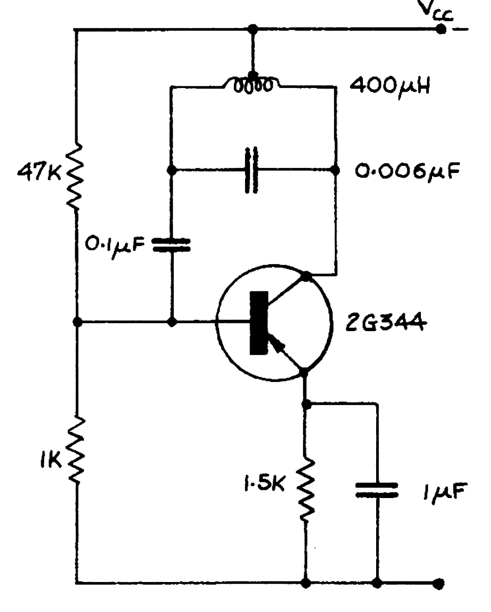
En la figura tenemos la configuración típica de un oscilador Hartley. Este circuito genera señales del orden de 100 kHz con los valores de los componentes utilizados, pero puede operar hasta unas pocas docenas de megahertz o más dependiendo del transistor utilizado.




