Encontramos este circuito en el manual ON de semiconductores utilizando acopladores de la época. Estos componentes pueden ser reemplazados por equivalentes actuales. El circuito es de los años 80.

Shield de control con Triac
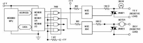
Encontramos este circuito en el manual ON de semiconductores utilizando acopladores de la época. Estos componentes pueden ser reemplazados por equivalentes actuales. El circuito es de los años 80.
