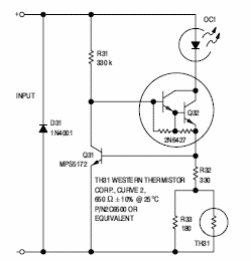
Este circuito, de una publicación antigua de ON Semiconductor, sugiere un shield para excitar un LED de un acoplador óptico que utiliza un Darlington. El circuito de alta velocidad es compatible con la lógica TTL o CMOS.

Shield óptico TTL y CMOS
Este circuito, de una publicación antigua de ON Semiconductor, sugiere un shield para excitar un LED de un acoplador óptico que utiliza un Darlington. El circuito de alta velocidad es compatible con la lógica TTL o CMOS.
