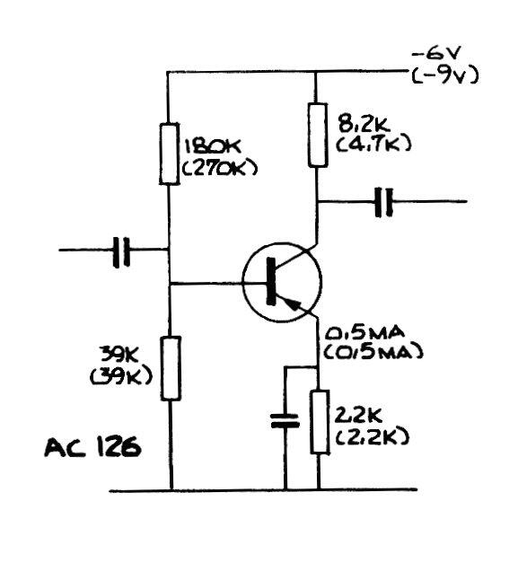
Este es un paso de amplificación con un transistor de germanio típico de los años 60 a los 70. El circuito sirve como preamplificador de audio y los valores de capacitor típicos están entre 100 nF y 470 nF.

Paso con el AC126
Este es un paso de amplificación con un transistor de germanio típico de los años 60 a los 70. El circuito sirve como preamplificador de audio y los valores de capacitor típicos están entre 100 nF y 470 nF.
