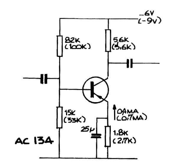
Este paso utiliza transistores de germanio como el AC151, GE2 y otros que se han encontrado en una documentación de la década de 1980. Tenga en cuenta la tensión de alimentación. Los capacitores sin valor generalmente varían de 100 nF a 470 nF.

Paso con el AC134 o AC126



