Este circuito de paso para amplificar señales de micrófono hace uso de transistores de germanio como se indica en el título o SK3123, AC151, AC129 y otros. El capacitor electrolítico tiene valores entre 1 y 47 uF

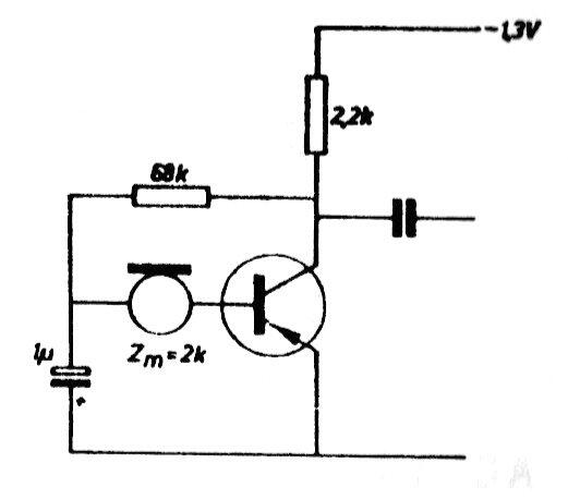
Paso de micrófono con OC59
Este circuito de paso para amplificar señales de micrófono hace uso de transistores de germanio como se indica en el título o SK3123, AC151, AC129 y otros. El capacitor electrolítico tiene valores entre 1 y 47 uF
