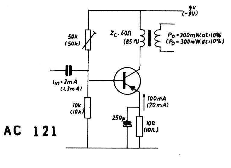
Este circuito de los 80 usa un transistor de germanio como el AC121. El circuito tiene un transformador de salida del tipo que se encuentra en muchas radios de transistores de la época.

 

Paso de salida de 300 mW
Paso de salida de 300 mW | Haga click en la imagen para ampliar |