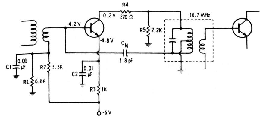
Este es un amplificador FM clásico con configuración de paso de amplificación IF. El circuito es de una documentación de la década de 1980. CN es el capacitor neutralizador.
Este clock simple se puede usar para generar señales de hasta 100 kHz, dependiendo del cristal. Lo...
Este circuito sincronizado por la red eléctrica puede usarse como un shield. Lo encontramos en una...
Este sofisticado circuito con dos amplificadores operacionales LF411 apareció en la revista Radio...