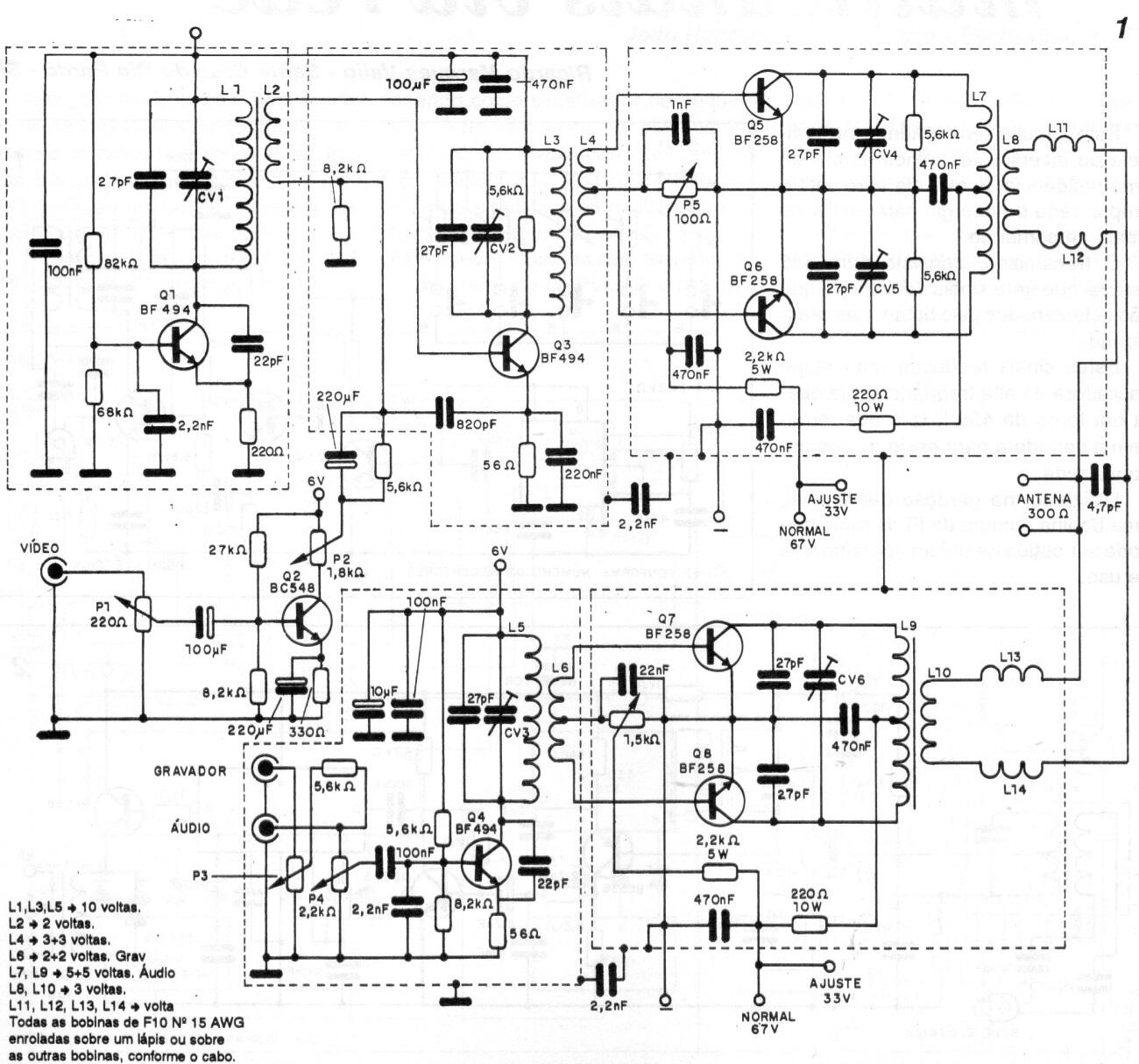
Este circuito de 1993, por supuesto, es para TV analógica en el rango de VHF. El circuito tiene buena potencia y requiere un poco de cuidado al hacer ajustes. La fuente de alimentación es de 6 V y para el ajuste se deben utilizar las funciones de generación de señal apropiadas. La fuente de alimentación se proporciona en CIR11746S.




