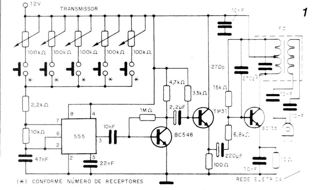
Este circuito se encontró en una publicación antigua y funciona en el rango de FI de 455 kHz, ya que la bobina del oscilador es un radio FI común. El rango es pequeño y la cantidad de canales se puede cambiar y el envío depende de la red eléctrica, porque el circuito es a través de la red. El receptor está en CIR11748S.




