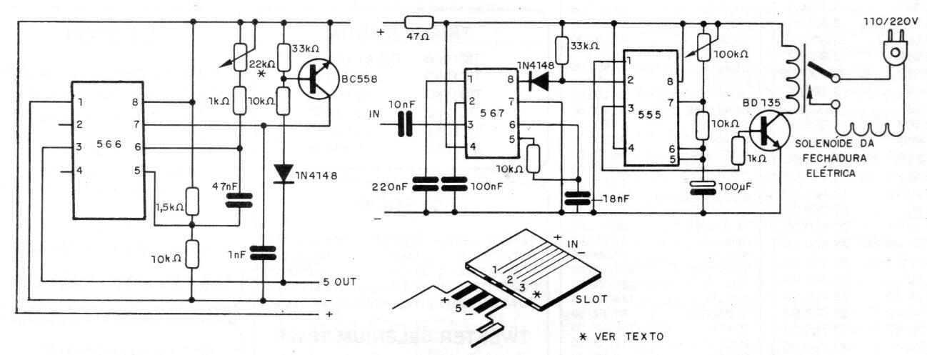
Este circuito reconoce el tono programado en un oscilador 555 cuando se inserta en una ranura que libera un bloqueo. El reconocedor tiene un PLL 567 que se ajusta a la frecuencia del oscilador. En el accesorio se proporciona la potencia del oscilador. El circuito se encontró en una publicación de la década de 1990. El trimpot ajusta la frecuencia de reconocimiento.




