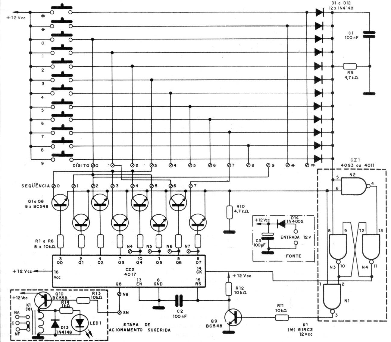
Este circuito es de una publicación de los años 90, pero utiliza componentes que aún son comunes en nuestro mercado. La programación se realiza seleccionando los puntos de conexión en una barra de terminales. El circuito está alimentado por 12 V, que es la tensión del relé utilizado.




