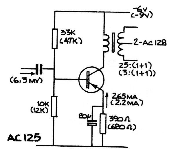
Este circuito se encontró en una documentación de 1985. El transistor es del tipo de germanio antiguo y la carga es un transformador de alta impedancia de entrada.

Etapa amplificadora AC125 con transformador
Este circuito se encontró en una documentación de 1985. El transistor es del tipo de germanio antiguo y la carga es un transformador de alta impedancia de entrada.
