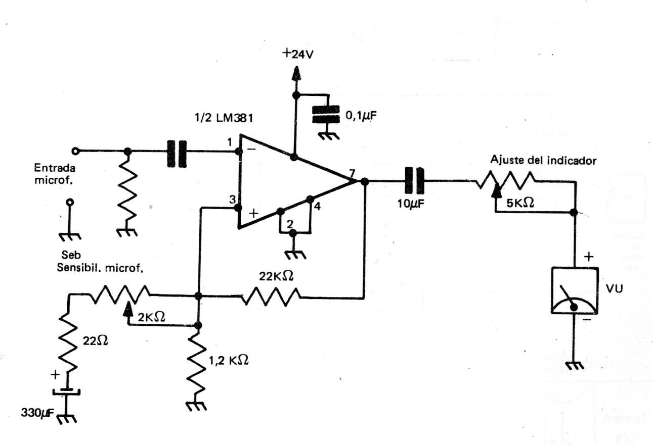
El circuito integrado LM381 no es muy común hoy en día. El circuito es de una publicación anterior, pero se puede modificar para que funcione con un funcionamiento más moderno, incluido de baja tensión. El instrumento es un miliamperímetro de 0-1 mA. La fuente no necesita ser simétrica.




