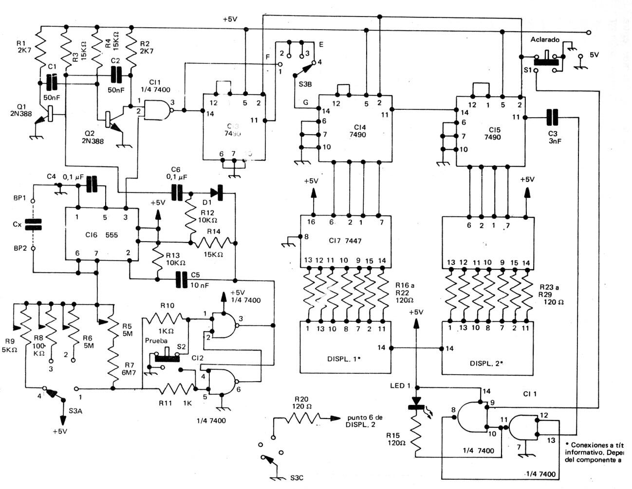
Este circuito se puede encontrar en este sitio en versiones similares. La fuente de alimentación se da en CIR1313. El circuito tiene dos dígitos y mide la capacitancia en 4 rangos de valores de 100 pF a 1000 uF. La precisión depende de los ajustes y la precisión de los componentes.




