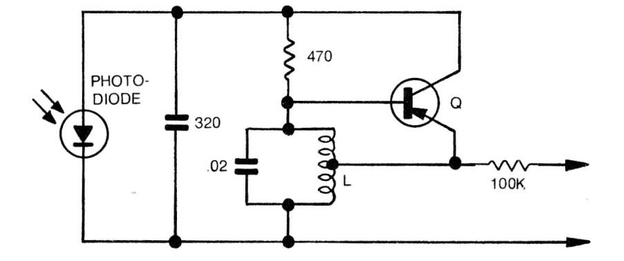
Este circuito de una documentación estadounidense de los años 70, indica un fotodiodo para generar energía a partir de la luz. Las celdas pequeñas como las utilizadas en las calculadoras darán mejores resultados y la frecuencia depende de la bobina y el capacitor en paralelo. Los viejos transistores de germanio proporcionan mejores resultados.




