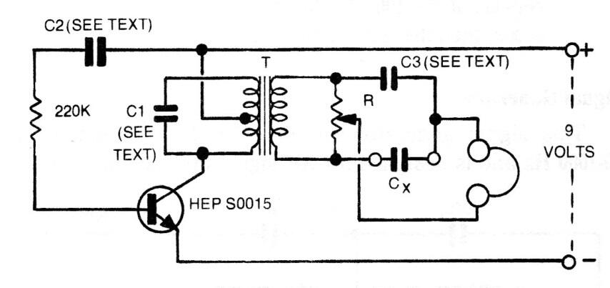
Este circuito consiste en un simple puente de capacitancia. El teléfono puede ser de alta impedancia de 500 ohms a 1k o piezoeléctrico. El circuito se restablece cuando desaparece el sonido y el potenciómetro se puede escalar de acuerdo con la referencia. El transformador es salida de audio.




