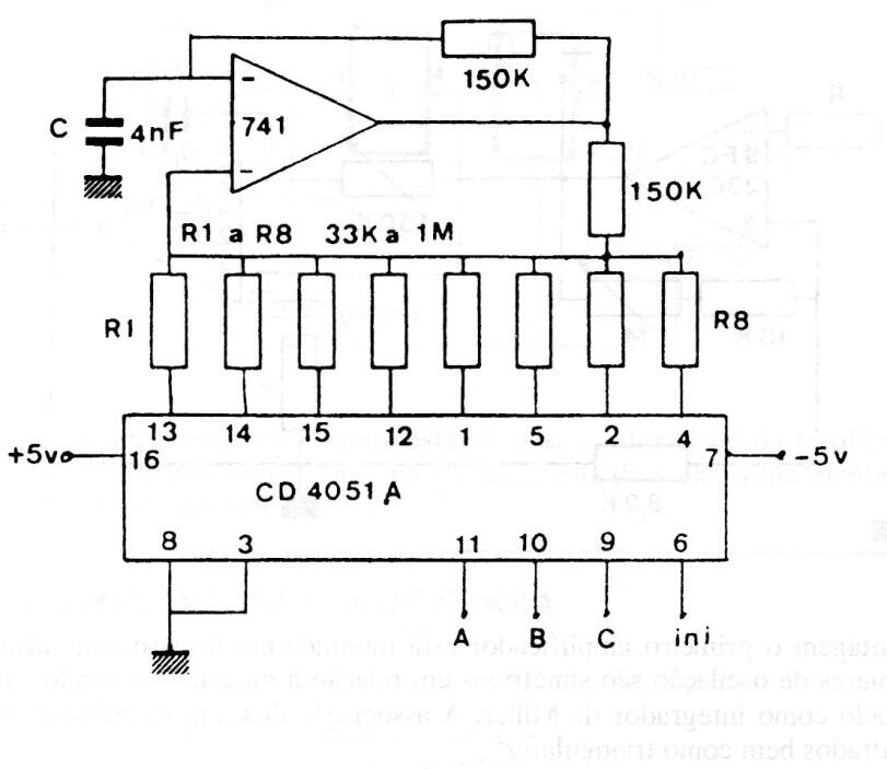
La frecuencia de este oscilador CMOS depende del capacitor C y la salida de alto nivel del 4051. Esta salida está determinada por los comandos en las entradas digitales A, B, C y D. La operación debe tener una alimentación simétrica y la frecuencia máxima está limitada a unos pocos cientos de kHz.




