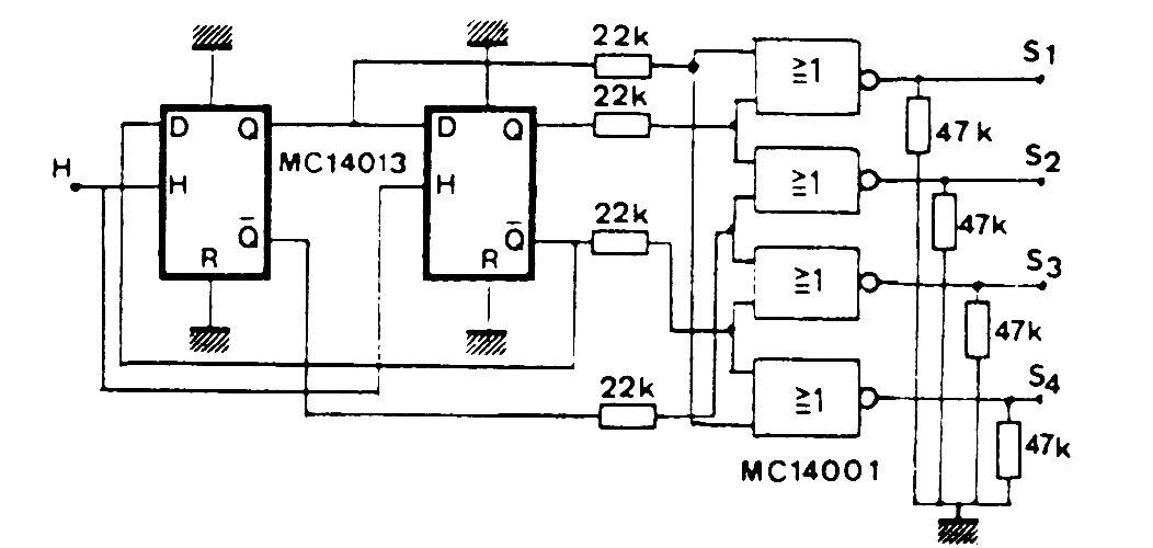
Este oscilador de múltiples salidas utiliza circuitos integrados CMOS poco comunes en la actualidad, pero pueden reemplazarse con funciones equivalentes modernas. La fuente de alimentación está de acuerdo con la aplicación y la frecuencia máxima de funcionamiento de algunos megahertz.




