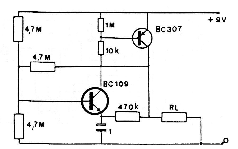
Este circuito que usa solo dos transistores complementarios de propósito general se encontró en una publicación técnica de la década de 1980. Los transistores pueden ser el BC557 y el BC547 y la frecuencia viene dada por el capacitor. Se pueden usar valores entre 1 nF y 10 uF y se puede suministrar la alimentación con tensiones de 6 a 12 V.




