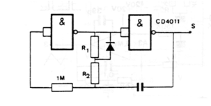
Este circuito es asimétrico con la relación marca-espacio determinada por R1 y R2. El diodo puede ser de uso general y el circuito también funciona con el 4001. El pinout 4011 se encuentra en varios otros artículos en esta sección y sitio web. La frecuencia principal viene dada por C.

Astable NAND CMOS III



