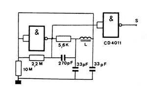
Los circuitos integrados utilizados en este astable CMOS pueden ser 4011 o 4001, aunque 4001 es NOR. En este caso, las puertas están cableadas como inversores. La frecuencia depende de los capacitores y la alimentación se puede suministrar con tensiones de 3 a 12 V.

Astable NAND CMOS IV



