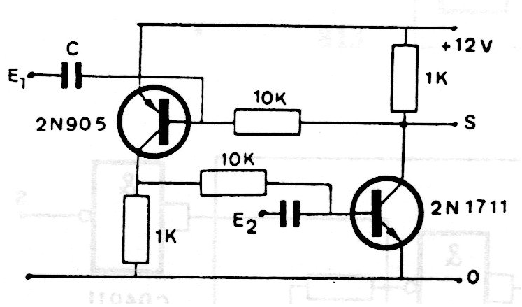
Este circuito de activación es de una documentación de los años 80. Los transistores admiten equivalentes y los capacitores dependen del tipo de señal de activación.
Un toque con los dedos en el sensor X1, en el circuito de la figura 1, hace que el relé atraque...
La frecuencia de este oscilador, que se encuentra en el manual de referencia de transistores de 1960,...
Este pequeño transmisor de FM envía sus señales a cualquier radio, receptor o aparato de sonido con...