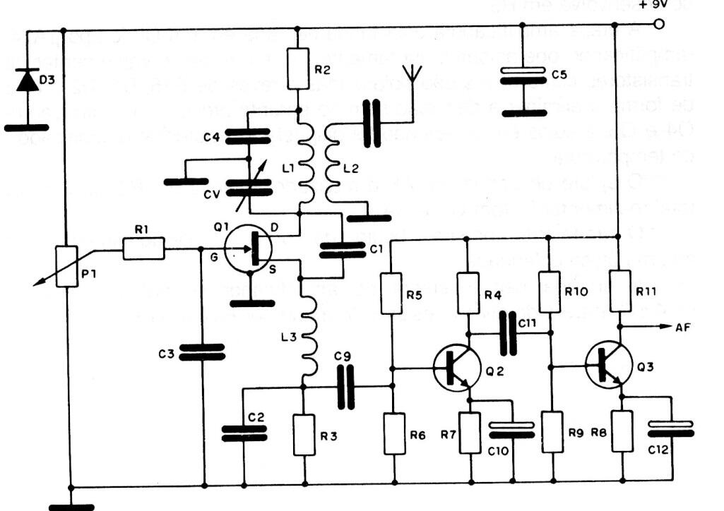
Este rango se usa comúnmente en comunicaciones marítimas como se indica en la documentación de 1989. El circuito es de una publicación de época y ha salido a una etapa de amplificador que puede ser cualquier amplificador o circuito externo. Los valores de los componentes que no son de datos pueden obtenerse de circuitos receptores de FM y VHF similares que tenemos en el sitio.




