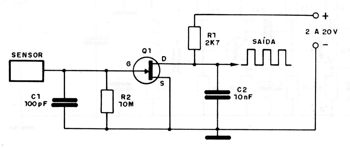
Este circuito puede usarse como un shield para un control de toque. El circuito puede usar cualquier FET común como el BF245 y nunca debe ser alimentado por una fuente sin transformador. El circuito es de una documentación sobre JFET.

 

Shield de toque JFET
Shield de toque JFET | Haga click en la imagen para ampliar |