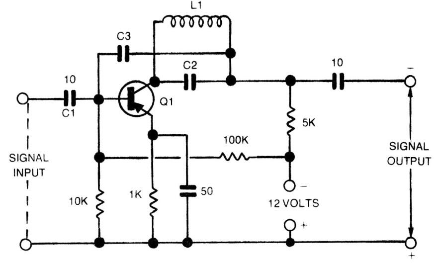
Este circuito de transistor único se encontró en una documentación estadounidense de los años 80. La frecuencia está determinada por L1 y C1 y el transistor puede ser un PNP de propósito general. La alimentación se puede suministrar con tensiones de 6 a 12 V, dependiendo del transistor seleccionado.




