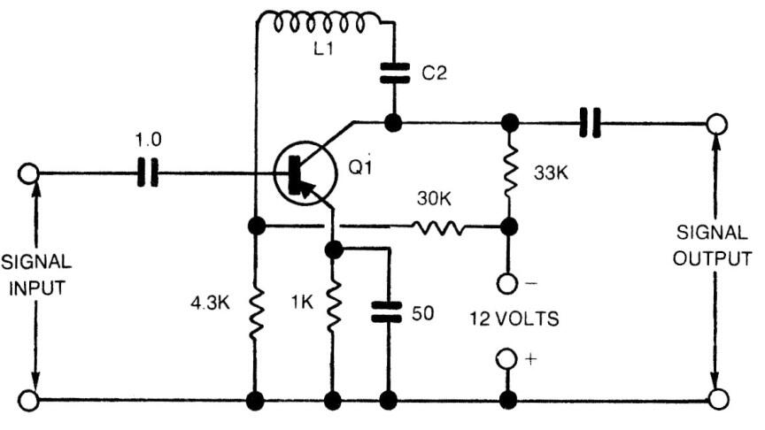
Este paso LC con solo un transistor PNP de propósito general se encontró en una documentación estadounidense de la década de 1980. La frecuencia central rechazada está determinada por el circuito LC. La fuente de alimentación según el transistor se puede hacer con tensiones de 6 a 12 V.




