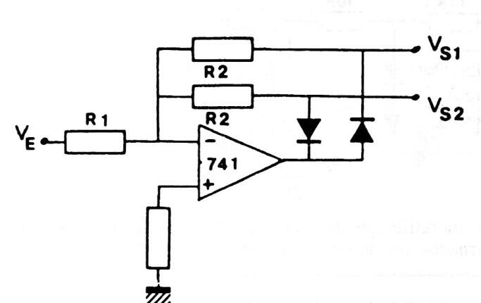
Este circuito rectificador de media onda de precisión que utiliza un amplificador operacional se encontró en un manual de los años 80. Los diodos son de uso general y se pueden usar amplificadores operacionales equivalentes. Los valores de los resistores se calculan de acuerdo con el tensión a rectificar.




