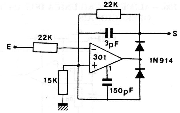
Este circuito, a diferencia del anterior (CIR11929S) tiene los valores de los componentes. El funcionamiento admite equivalentes, al igual que los diodos que son de tipo general. El circuito está compensado en frecuencia con el capacitor en el pino 1.

Rectificador de media onda con Operational II



