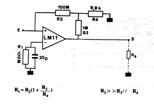
La idea de este circuito es obtener una resistencia de 10 Gohms utilizando un amplificador operacional. Se pueden usar amplificadores operacionales equivalentes. La multiplicación depende de la relación de valores entre las resistencias, de acuerdo con la fórmula dada al lado del diagrama.

Multiplicador de resistencia



