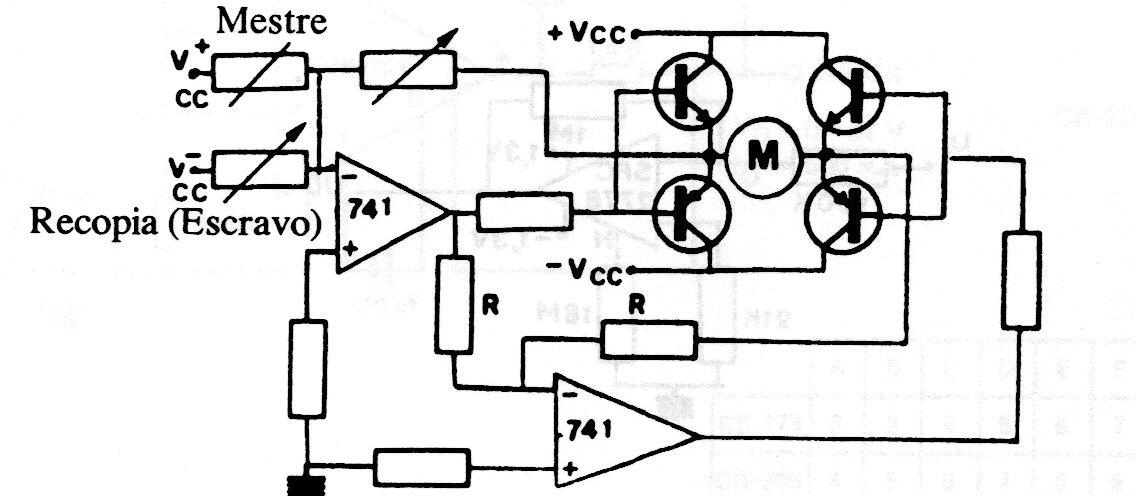
Este es el circuito básico de un servomotor que se encuentra en un manual de circuitos integrados lineales de los años 80. Los circuitos integrados admiten equivalentes y la fuente debe ser simétrica de acuerdo con la aplicación. Los transistores son de tipo motor, por ejemplo, BD135 y BD136 para corrientes de hasta 500 mA. Los valores de los componentes dependen de las corrientes de accionamiento.




