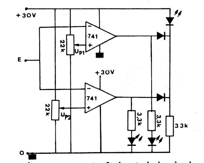
Este comparador de tres estados se encontró en un manual de circuitos de los años 80, pero hoy en día se puede implementar fácilmente, incluso utilizando amplificadores operacionales más modernos. Los valores de las tensiones comparadas se ajustan en los trimpots de entrada y la indicación viene dada por los LED.




