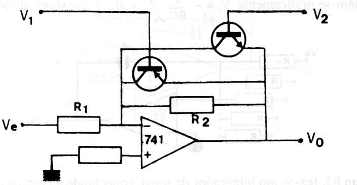
Este circuito limitador con amplificador operacional tiene su punto de corte ajustable y puede usar amplificadores operacionales equivalentes. Los transistores son de uso general y la fuente de alimentación debe ser simétrica con tensión de acuerdo con la aplicación.




