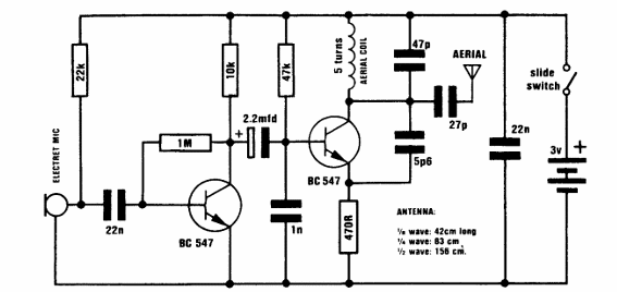
Si el lector es experto, puede montar este microtransmisor espía con componentes SMD y obtener un montaje extremadamente compacto alimentado por dos celdas tipo botón. El circuito es de documentación antigua, pero aparece en nuestro sitio en varios artículos con pequeñas variaciones. Los capacitores deben ser de cerámica.

Micro Transmisor de FM



