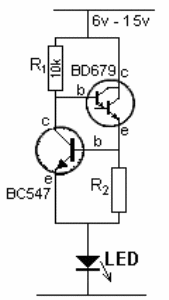
Este circuito simple suministra una corriente constante a un LED desde fuentes de alimentación que varían de 6 a 12 V. Para un resistor de 56 ohms como R2, la corriente será de 10 mA.

Fuente de corriente constante
Este circuito simple suministra una corriente constante a un LED desde fuentes de alimentación que varían de 6 a 12 V. Para un resistor de 56 ohms como R2, la corriente será de 10 mA.
