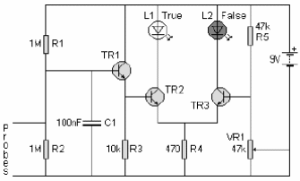
El circuito que se muestra está configurado para dar una indicación real cuando la persona toca los sensores en condiciones normales. Mantenerse en el umbral, una vez interrogado, cambiar la resistencia hace que el circuito cambie, lo que hace que se ilumine el LED falso. El circuito es de una documentación estadounidense.

Detector de mentiras LED



