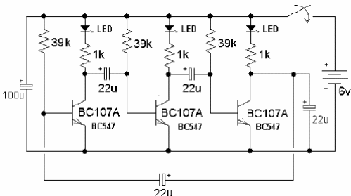
Esta configuración aparece en nuestro sitio desde una variedad de fuentes. Esto es de una documentación en inglés y hace uso de transistores BC107, pero puede ser reemplazado por la versión moderna BC547 e incluso BC548. La frecuencia del efecto está dada por los capacitores. El efecto es pseudo secuencial.

Secuencial de 3 LED



