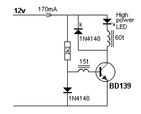
Encontramos este circuito en una documentación en inglés. El circuito utiliza componentes comunes y el reactor se enrolla con 60 vueltas de alambre delgado en una varilla de ferrita de 1 x 1,5 cm. El transistor debe estar equipado con un pequeño radiador de calor.

Convertidor reductor LED de alto brillo de 170 mA



