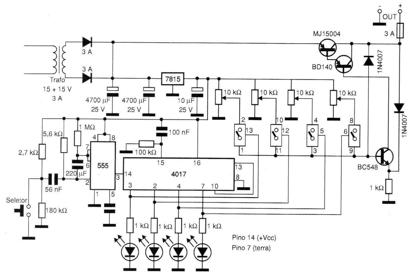
Este circuito, de una publicación de 2009, ofrece una regulación de tensión óptima debido al uso de un circuito integrado de la familia 78XX como referencia de tensión. El BC548 que actúa como amplificador aumenta el rendimiento de la etapa de potencia. Los diodos en la salida del circuito reducen la corriente que fluye a través del BD140 y MJ5004 en caso de cortocircuito. El MJ5004 debe montarse en un buen disipador de calor. El paso del selector de tensión se basa en un 555 que funciona como monoestable y con los resistores de 2.7k, 180k, 5.6k y el capacitor de 56nF que actúa como anti-repulsión para la activación de 555 mediante un botón. El pulso generado por el 555 se aplica a un contador de 4017 décadas configurado en 4 canales, que puede extenderse hasta 10 canales. El resistor y el capacitor conectados al pin 15 del 4017 restablecen el circuito cada vez que se enciende. Cada salida de este contador está conectada a un interruptor digital 4066. Cada trimpot de 10k está configurado a una tensión (por ejemplo, 4,5, 6, 9 y 12 V). Una sugerencia es reemplazar el trimpot conectado al pino 8 del 4066 con un potenciómetro del mismo valor. Esto tendrá una posición de ajuste lineal que puede variar de 1.5 a 15 V. Los LED pueden ser de diferentes colores para facilitar la identificación de las tensiones elegidas. La corriente de salida máxima es de 3 A y el MJ5004 debe estar equipado con un excelente disipador térmico. Observamos que con cada pulsación del botón la salida cambia al siguiente tensión establecido, pero esto nunca debe hacerse con la carga encendida. Esto se debe a que un transitorio produce un transitorio que puede afectar esta carga si es sensible. En este circuito también se debe tener cuidado con la posible interacción de la fuente de alimentación con el circuito integrado que puede conducir a un conteo de pulsos de botón aleatorio. Puede ser necesario un desacoplamiento más intenso del CI para garantizar la estabilidad.




