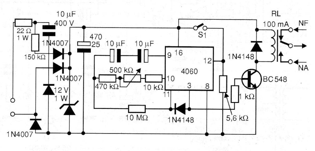
La fuente utilizada en este temporizador no tiene transformador y está configurada en zener de 7 W. El resistor de 1k debe reemplazarse por un de 680 ohms o menos si el relé se niega a conducir. S1 es el reinicio del circuito que funciona a 110 V y 220 V. El ajuste de temporización se realiza en el trimpot de 500 k ohms y el rango máximo está determinado por los capacitores de 10 uF. Los diodos fuente pueden ser 1N4007 o equivalentes. Notamos que este circuito no está aislado de la red eléctrica. El circuito es de 2009.




