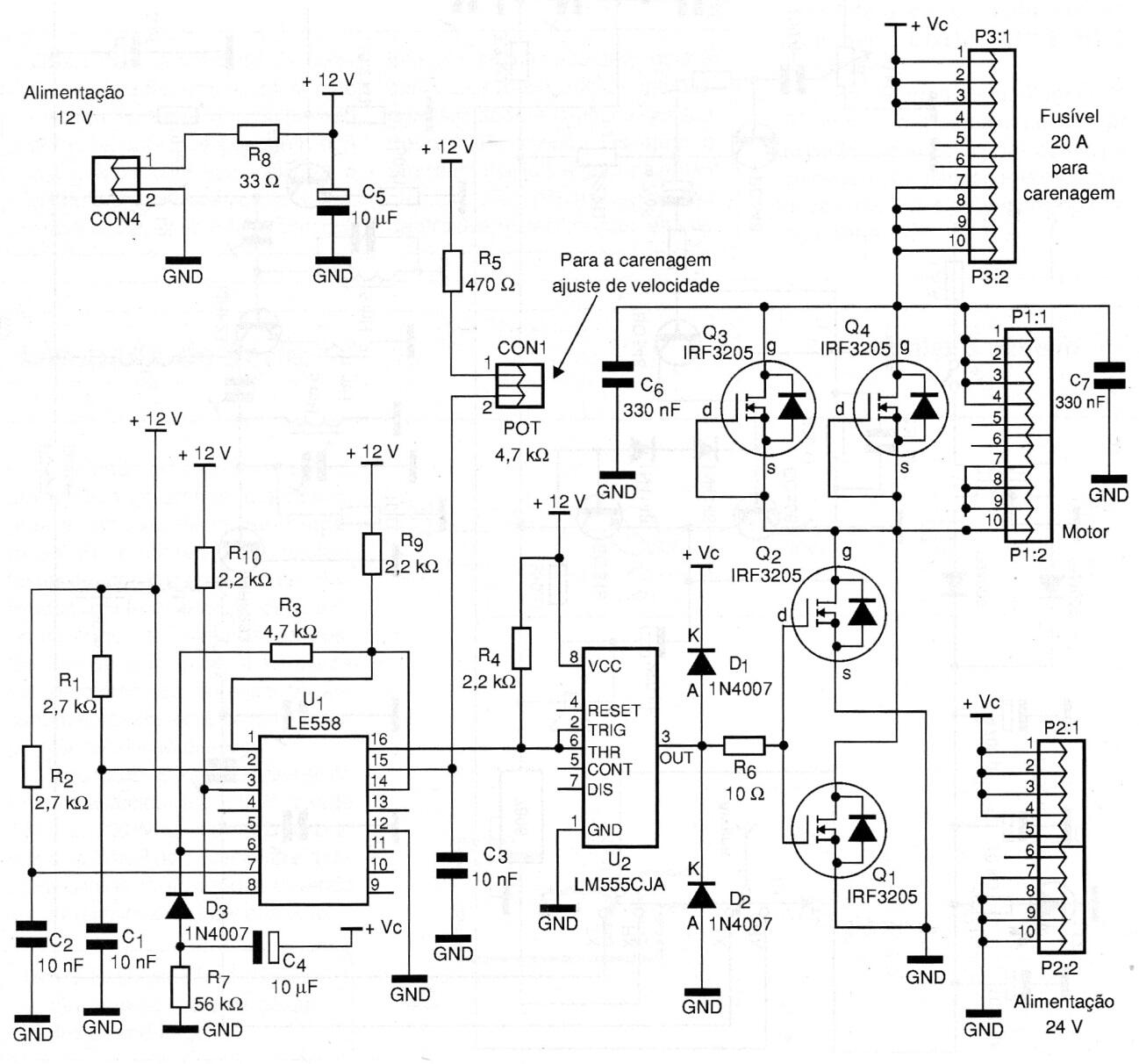
El circuito presentado en una documentación de 2009 es simple basado en los circuitos integrados NE558 y NE555 con transistores IRF3205, que están en la configuración de Darlington para aumentar la capacidad de corriente. El motor utilizado era el de una silla de ruedas de 24 V x 15 A, un motor bastante grande que en este caso tenía un alto consumo. Luego se utilizaron disipadores de calor en los transistores. El conector P3 va directamente a un fusible de 20 amperios conectado al carenado, pero nada impide que el ensamblador se adapte a la PCB. Recuerde que las rutas de enlace del transistor para las corrientes altas deben ser muy anchas. En las siguientes figuras tenemos el diagrama de control y también los dibujos de la placa de circuito impreso. El circuito puede usarse como un shield para microcontroladores con pequeñas adaptaciones.




