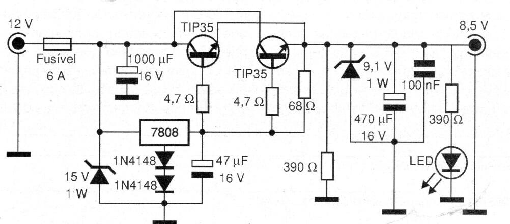
Con el desarrollo y la disponibilidad de pequeñas pantallas LCD automotrices, particularmente en conjunto con reproductores de DVD, muchos usuarios han visto la posibilidad de usarlos con videojuegos, específicamente con la PS2. Pero este juego no tiene accesorios para la potencia de su automóvil, y su tensión de funcionamiento es de 8.5 V, a diferencia de la batería del automóvil que proporciona 12 V. El circuito simple presentado es la solución, ya que proporciona el voltaje y corriente requerida para el perfecto funcionamiento del juego en esta situación. El CI7808 estabiliza el voltaje y polariza los transistores para que suministren al juego la corriente requerida para su funcionamiento. Los diodos zener protegen la entrada y salida del circuito contra sobretensiones. La conexión en el automóvil se puede hacer en la salida del encendedor de cigarrillos. Recuerde que el fusible es un componente de protección importante de este circuito y no debe cambiar su valor. Los transistores deben montarse en un buen disipador térmico, ya que debido al alto consumo, se calientan mucho. El CI 7808 no necesita un disipador térmico y los resistores son todos de 1/8 W. El LED puede ser de cualquier color. (2009)




