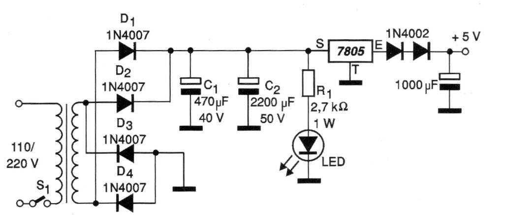
Esta es una fuente de alimentación de 5V de una documentación de 2002, adecuada para walkmans y diskmans, común en ese momento. Sin embargo, esta fuente se puede usar para otras aplicaciones. El voltaje del transformador es de 6 o 7,5 V con corriente de hasta 1 A. El regulador de tensión debe estar equipado con un disipador de calor.




