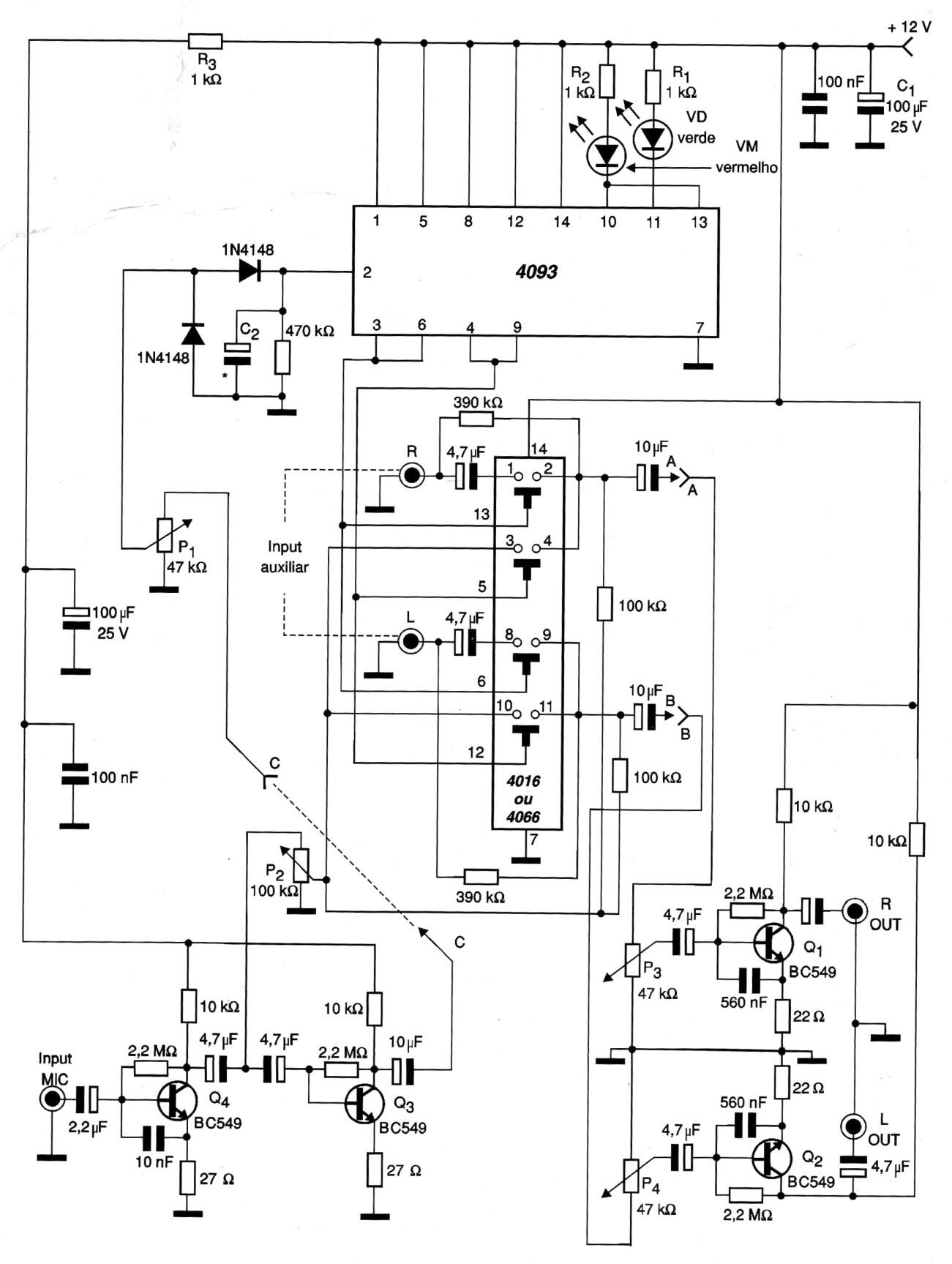
Este circuito permite que la señal del micrófono se superponga a la de la música con el volumen máximo, obteniendo efectos importantes en estaciones experimentales o edición de CD. El circuito es de 2002 y tiene varios controles. La energía debe provenir de una fuente bien filtrada para que no se produzcan ronquidos.




