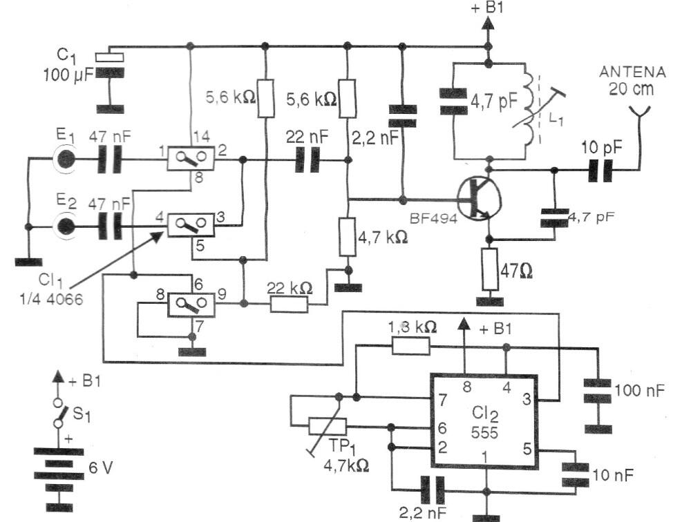
Este pequeño transmisor FM de corto alcance tiene un multiplexor estéreo que puede usarse en un enlace de audio o auriculares inalámbricos. Los componentes utilizados son comunes y la bobina consta de 4 bucles de hilo 28 en forma de núcleo de ferrita ajustable de 0,5 cm. El circuito funciona con baterías y los capacitores en los sectores de RF deben ser cerámicos.




