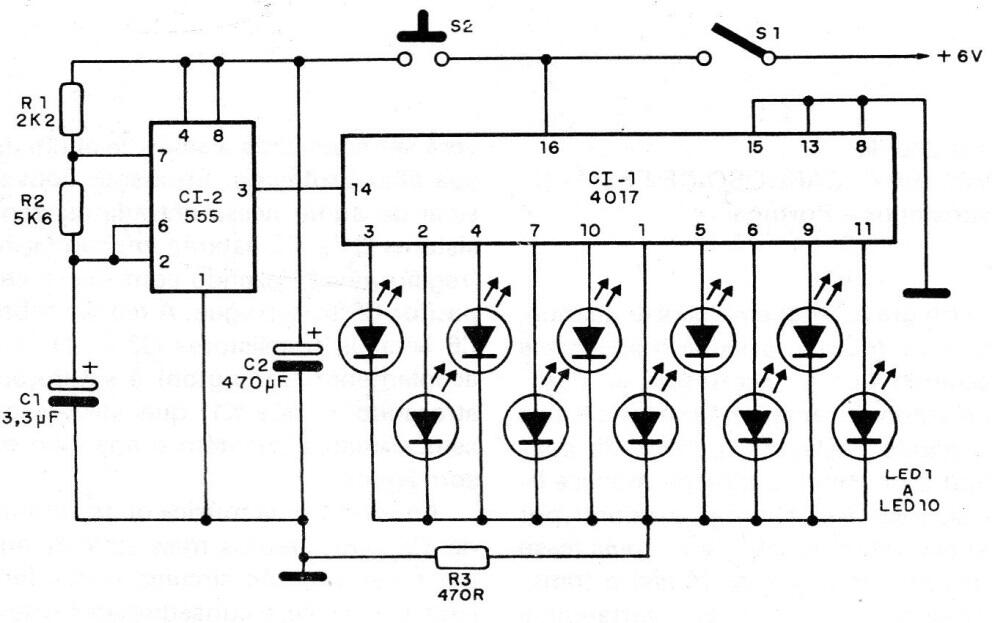
Al presionar S2 y liberar solo uno de los 10 LED alimentados por el 4017 permanece encendido. Este juego de 1988 puede tener varias reglas dadas por tarjetas al lado de los LED, como prueba de fuerza, ruleta, afeitado, dado de 10 lados, etc. El circuito funciona con batería y la velocidad del efecto puede controlarse mediante el valor de C1.




