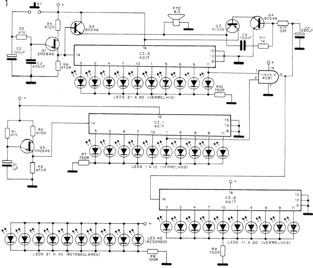
La idea de este circuito es presionar el botón de tal manera que la escorrentía del LED de la fila horizontal golpee el LED en movimiento de la fila vertical. El circuito es de documentación de 1988 y tiene un efecto muy interesante y puede montarse en una versión más grande para parques y bazares. El circuito es de una documentación de 1988 y utiliza componentes comunes de CMO. Dada la cantidad de LED encendidos y el alto consumo de energía, se recomienda utilizar una fuente de alimentación de 6 a 9V.




