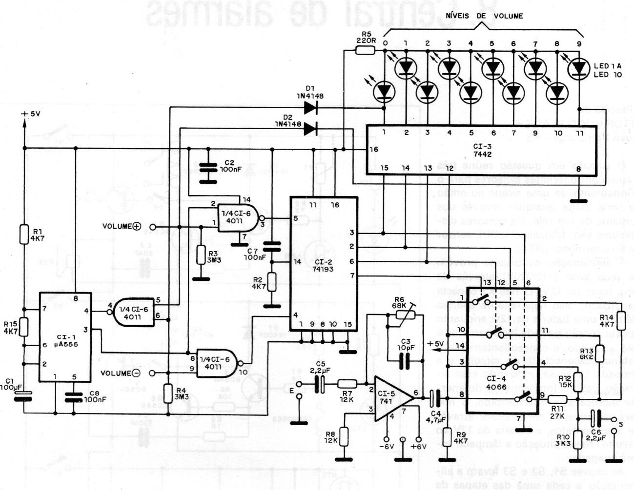
Este control de volumen por toque digital se obtuvo de una publicación de 1988. Cada toque del sensor selecciona una de las teclas digitales que permite que la señal de audio pase con mayor o menor atenuación. El circuito usa tecnología TTL y debe ser alimentado por una tensión de 5 V. Los cables de entrada y salida de audio deben estar apantallados.




