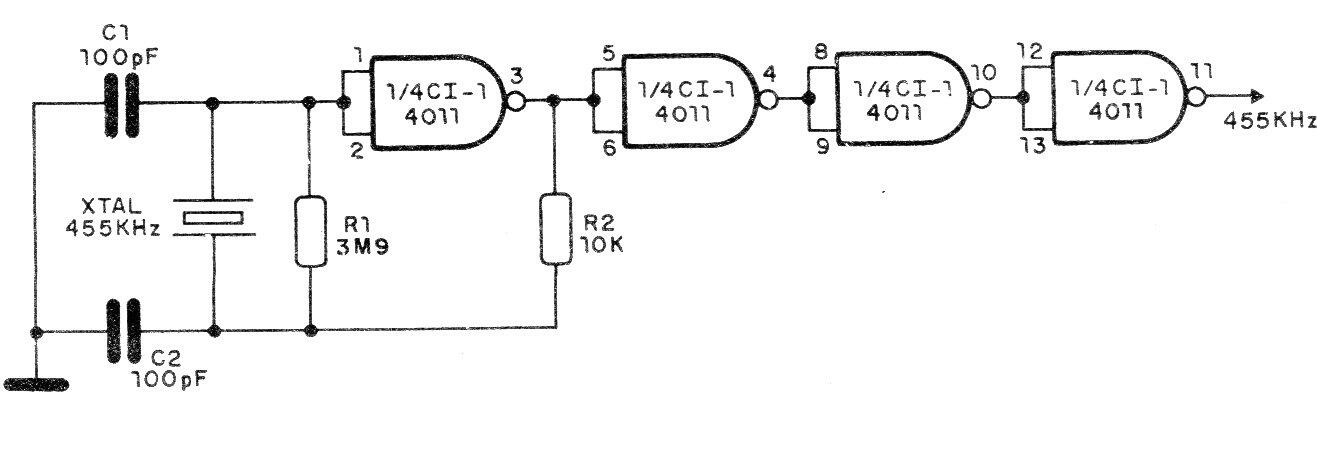
Encontrado en una publicación de 1988, este circuito oscilador de cristal de 455 kHz es para la calibración de radios AM. El circuito tiene buena intensidad de señal y los armónicos son para la calibración de otros circuitos de RF. El circuito puede ser alimentado por tensiones de 3 a 12 V aplicados a los pinos 14 (+) y 7 (-) del circuito integrado.




